Refinery

CE Sea Blue
EC Sea Blue
CE
Reach
RoHS
API Certificate

Discharge Pump

A Discharge Pump is employed to pump and move dirty fluids to a drain point that is above ground level. Discharge pumps are also known as drain pumps. High Discharge pumps are self-priming & acting on regenerative principle. These pumps are designed for continuous operation handling and free from any suspended particles.

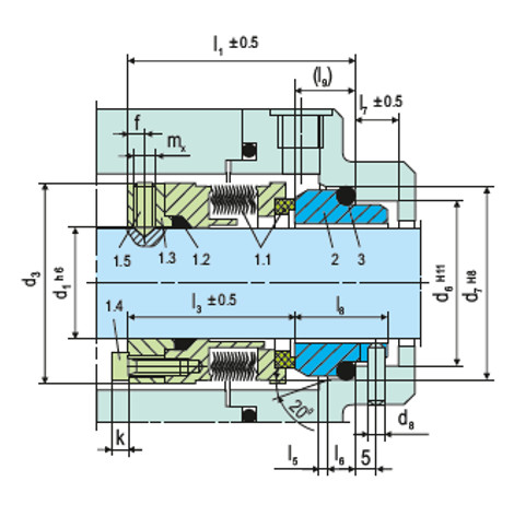
Seal Type: B700N/B700F Tandem

Media Propylene
RPM 2800
Temperature 380 C
Pressure 19 Bar

Gas Oil Pump

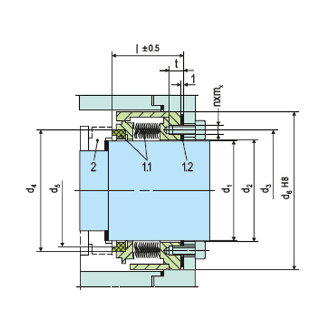
Seal Type: UFL 65/BSHF Tandem

Media Oil
RPM 5000
Temperature 2600 C
Pressure 14 Bar

GLP Delivery Pump

The liquefied gas pump is characteristically a centrifugal pump which are employed for handling liquefied hydrocarbons, such as propane, butane, propylene, ethylene and many more hydrocarbons in refineries and in the distillation of crude oil. The GLP pump is also employed for handling liquefied gases consisting mainly of methane.

Seal Type: SBFVD/155

Media Hydrocarbons
Vg 26 m/s
Temperature 350 C
Pressure 28 Bar

Quench Oil Pump

Quench oil pump are basically employed for quenching system in various application of refineries.

Seal Type: GSPH-KD/145

Media Quenching oil
RPM 1475
Temperature 2100 C
Pressure 1 Bar

Residual Oil Pump

The pump which are employed to impel a residual oil which contains a number of aggressive and corrosive elements are said to be residual oil pump. It is basically found in low concentrations naturally or in exhausted oil fields, with a comprehensive range of compliant quality seals and supply systems, Sealmatic is playing a key role towards ensuring the reliability and safety of refinery processes.

Seal Type: UFLWT800S3/90Ta911 In accordance with API Plan 54

Media Residual Oil
RPM NA
Temperature 3350 C
Pressure 9 Bar

Vertical In-Line Pump

Vertical in-line pump is a type of centrifugal pump that has a vertically oriented shaft, with the suction and discharge connections in the casing in line with each other, rather than requiring a change of direction like end suction pumps, which are basically employed for refinery industries to transfer highly abrasive and corrosive fluids.

Seal Type: UFLWT800FD/55 with API 610, Plan 53

Media Ethylene Liquified Gas
RPM 2950
Temperature -980 C
Pressure intake pressure = 23 bar

Low Temperature Pump

Seal Type: B750VK/65 According to API 682 Plan 52

Media Hydrocarbon
RPM NA
Temperature -130 C
Pressure NA


Refinery

The processing of crude oil in refineries is a complex and multi-stage process in which crude oil is transformed into refined, high-quality end products or feed materials for petrochemical industry. Sealing technology for such diverse applications have to meet challenges in various respects; risk of insufficient lubrication and dry running, media with a diversity of physical properties, high and low temperature ranges and the handling of hazardous substances and all other conditions which need to be controlled with absolute reliability. With a comprehensive range of API-compliant quality seals and supply systems Sealmatic is playing a key role towards ensuring the reliability and safety of refinery processes.