MS
Product Description
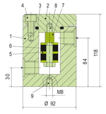
- MS range of separators consists of a pressure casing with integrated magnetic rod for high level of efficiency. MF filters are employed in seal supply systems and any other such systems in which the media has to be cleaned of magnetic impurities up to a certain size
 
| Details | |
|---|---|
| Item No. | Description | 
| 1,2 | Casing and cover | 
| 3 | O-ring | 
| 4,8 | Screws | 
| 5 | Washers | 
| 6 | Ring magnets: corrosion-resistant | 
| 7 | Spring | 
| 8 | Fixing hole | 
            
                          
                          
                          
                        
                        
                          
