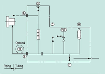
BFS 53B
Product Description
- Circulation in accordance with API 682 / ISO 21049: Plan 53B
 - Pressurised barrier system (closed circuit) is employed for applications in sealing systems with operating parameters of high pressures and/or for hazardous/environmentally harmful processes. The BFS (Plan 53B) range is available with a pressure accumulator, cooler (finned tube or water or air cooler with fan) with a wide range of instruments.
 
            
                          
                          
                          
                        
                        
                          

