BFS2000
Product Description
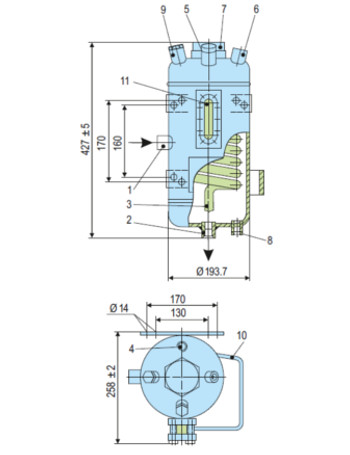
- BFS 2000 system is employed for applications in sealing systems with a wide variety of operating parameters for supplying buffer/barrier fluid to double and tandem mechanical seals. The BFS 2000 system is available in standard sizes with flat ends, sight-glasses for level monitoring and with or without cooling coil. BFS 2000 system is equipped as a standard with all the necessary system connections and brackets. Modular design combination available with a wide variety of system components and instruments selection possible such as, level switch, circulation pump, hand refill pump, thermometer, base frame etc.
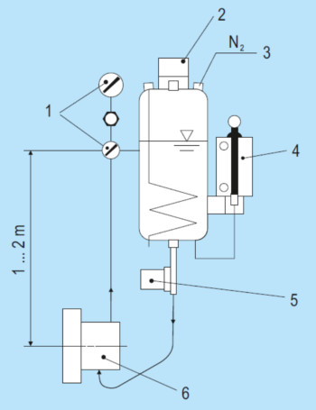
 - Circulation in accordance with API 682 / ISO 21049: Plan 52, Plan 53A
 
| Details | |
|---|---|
| Item No. | Description | 
| 1 | Buffer/barrier fluid IN (G1/2") | 
| 2 | Buffer/Barrier fluid OUT (G1/2") | 
| 3 | Cooling water IN (G1/2") | 
| 4 | Cooling water OUT (G1/2") | 
| 5 | Filling connection with plug (G1/2") | 
| 6 | Pressure gas connection (G1/2") | 
| 7 | Connection for level switch or level indicator (G2") | 
| 8 | Connection for hand refill pump (G1/2") | 
| 9 | Universal connection (G1/2") for safety valve, flare,etc | 
| 10 | Bracket for hand refill pump | 
| 11 | Sight-glass | 
            
                          
                          
                          
                        
                        
                          

