BFS1016-BFS1010
Product Description
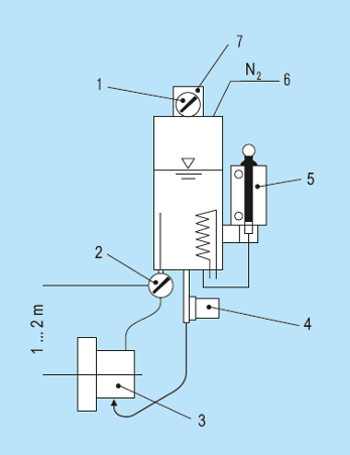
- Circulation in accordance with API 682 / ISO 21049: Plan 52, Plan 53A
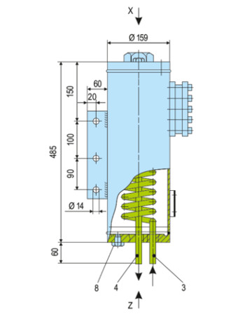
 - BFS1016 system is employed for applications in sealing systems with a wide variety of operating parameters for supplying buffer/barrier fluid to double and tandem mechanical seals. The BFS1016 system is available in standard sizes with flat ends, sight-glasses for level monitoring and with or without cooling coil. BFS1016 system is equipped as a standard with all the necessary system connections and brackets.
 
| Details | |
|---|---|
| Item No. | Description | 
| 1 | Buffer/barrier fluid IN (G1/2") | 
| 2 | Buffer/barrier fluid OUT (G1/2") | 
| 3 | Cooling water IN  (pipe 12 x 1·55 mm)  | 
  
| 4 | Cooling water OUT Cooling water OUT (pipe 12 x 1·55 mm) | 
| 5 | Filling connection with cap (G1/2") | 
| 6 | Pressure gas connection (1/4" NPT) | 
| 7 | Connection for level switch (G2") | 
| 8 | Connection for refill unit (G1/8") | 
| 9 | Connection for pressure gauge (1/4"NPT) | 
| 10 | Bracket for refill unit | 
            
                          
                          
                          
                        
                        
                          


